Quality Control
Mackenzie Machine & Design, Inc. is dedicated to producing quality parts for all our customers. In November 2004 we incorporated a quality management system, ISO 9001 and have maintained our certification since The systems is designed to assist our organization to ensure we meet the needs of customers. All parts are given a thorough inspection to ensure our customers products meet the highest possible standards of specification.

TESA Hite 700 Plus
Micro-Vu Optical Comparitor
Mitutoyo Surt-Test 402
Sony Probe (Accuracy +/-.000005)
Sheffield Air Guages
Dial Bore Guages
Micrometers to 36”
Intramics (.250” to 12.00”)
Thread Guages
Size Pins (.005” to .500”)
Vernier Calipers (6” to 60”)

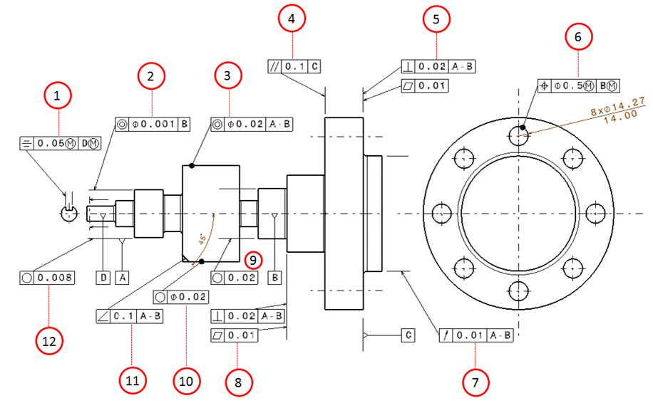
High Standard Quality Inspection
Our quality assurance dept, performs product evaluation, and in process quality control on all parts. We inspect your parts from the first batch raw material until the parts leave our shop, every setup and operation is checked and documented. Our expert QC dept. uses a variety of inspection tools (Like Projectors, calipers, pin gauges, etc. to make sure all of your parts are produced to spec, and meet all of your requirements.

